Warning
This page is located in archive.

Logické kombinační obovdy

Hradla

Mezi základní logické kombinační obvody se řadí hradla AND, OR, doplněný o hradla s negovanými výstupy NAND a NOR, dále potom XOR (Exklusivní součet) a NOT (Invertor). Jejich symboly a pravdivostní tabulku můžete najít v následující tabulce

Praktické využití samotných hradel je např. u :

  1. AND - Maskovací člen
  2. OR - Sjednocující člen
  3. XOR - Řízený invertor

Dekodér

Dekodér se vyznačuje tím, že podle kombinace vstupních hodnot a dekódovací funkce nám obvod určuje výstupní kombinaci/hodnotu. Dekodér se zejména používá pro tyto účely:

  1. Dekodér BCD na 7-mi segmentový displej (74LS47, 74HC4511, 4511, …)
  2. Výběr 1 z n (74HC42, 74HC139, …)
  3. Multiplexor - obvod, který na výstup předá vstupní hodnotu podle zvoleného vstupu (74HC151, …)
  4. Dekodér adresy pro aktivaci brány, paměti, obvodu, …

Dekodér BCD na 7-segmentový displej

Pro vytvoření logické rovnice je třeba nejprve stanovit pravdivostní tabulku pro jednotlivé segmenty, kterou pro převod z BCD do 7-segmentového kódu je třeba. Tabulku si můžete stáhnout zde. Logickou funkci lze s výhodou vytvořit s pomocí Karnaughovi mapy Karnaughovy mapy a z ní je poté vytvoření obvodové funkce přímočaré.

Dekódovací funkce pro výstup a a b mají tyto funkce:

$$ Y_a = B\bar{D} + \bar{A}\bar{C}\bar{D} + \bar{B}\bar{C}D + AC\bar{D}$$

$$Y_b = \bar{C}\bar{D} + \bar{A}\bar{C} + \bar{A}\bar{B}\bar{D} + AB\bar{D}$$

decoder_7_segment.jpg

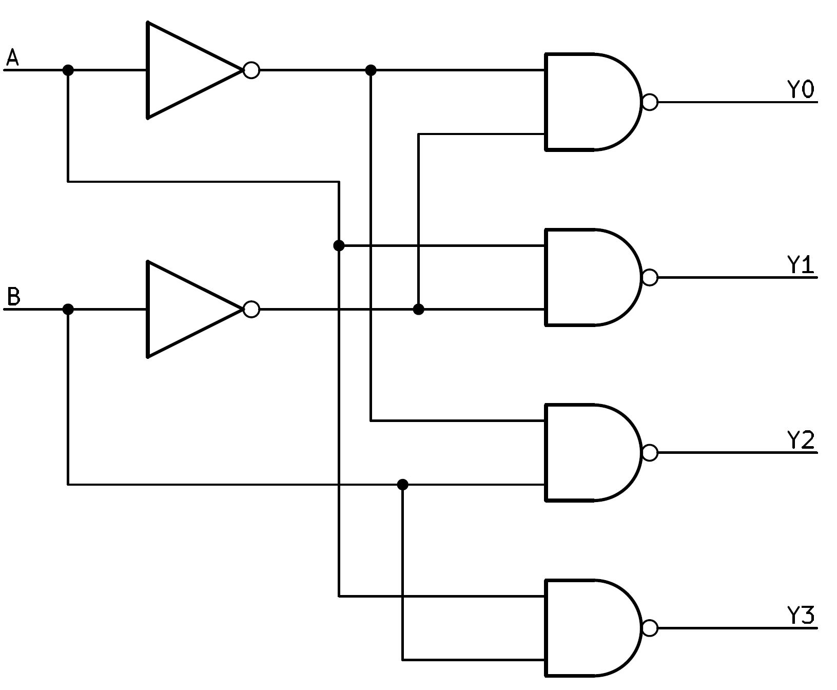
Dekodér 1 z N

Dekodér 1 z N představuje obvod, který převede binární informaci na vstupu na aktivaci jedné brány na výstupu. Příkladem může být obvod 74HC139, který obsahuje dva dekodéry 1 ze 4 s invertovaným výstupem. Na následujícím obrázku je jedno z možných řešení dekodéru pomocí hradel. Dalším zástupcem může být obvod 74HC42, který je výběr 1 z 10 s negovanými výstupy.

Multiplexer

Mezi kombinační obvody lze zařadit i multiplexor, který na základě vstupní hodnoty selektoru (dekodér 1 z N) vybírá hodnotu jednoho z N-vstupů. Jako příklad multiplexoru může být integrovaný obvod 74HC151, který představuje multiplexer s 8-mi vstupy a dvěma výstupy, které jsou komplementární a povolovacím vstupem EN.

Na následujícím obrázku je znázorněno blokové schéma obvodu 74HC151 s 8-mi vstupy a EN vstupem pro povolení výstupu. Pomocí binární kombinace vstupů S0-S2 se volí vstupy I0-I8 na výstup Y, popřípadě jeho negované verze /Y.

courses/b2m37mam/tutorials/dit/lko.txt · Last modified: 2023/10/10 12:47 by nentvond